IT'S ALIVE

It also fights back ...
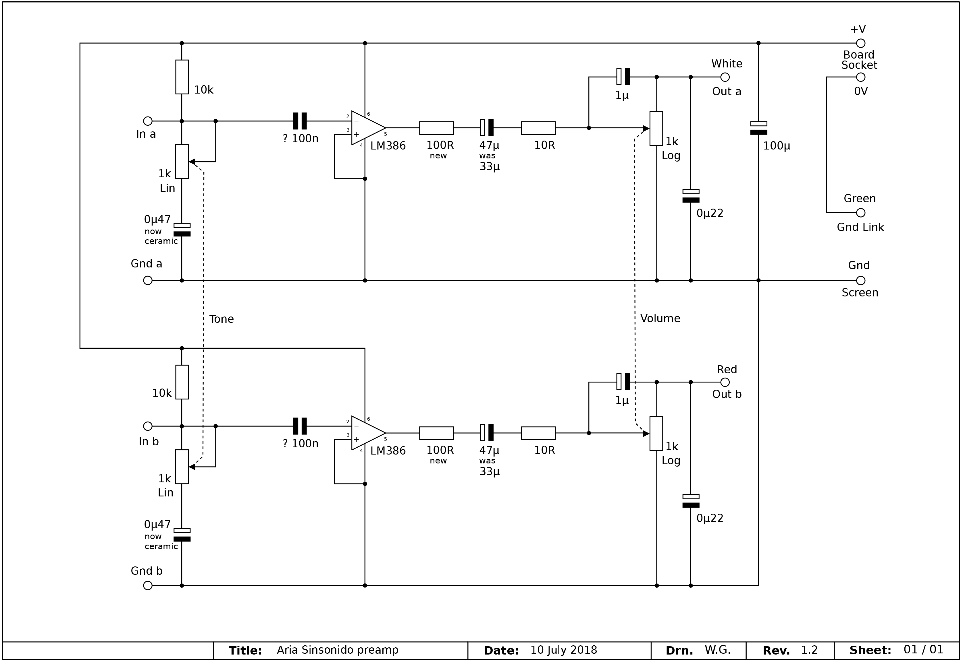
Finally pushed real life out of the way for long enough to reconnect the board and the bass. Hooked it all up and did a quick test with everything electrically connected but not put back - excellent. Placed the board properly, put the pots and covers back on, tuned the bass to record some tests - and discovered an intermittent break in the connection to the output socket. My fault entirely so replaced the cable and retested. All good - hooray!
This is a very short recording to demonstrate the range of sound. This is recorded with a stereo headphone jack sending L&R directly to the two inputs of a ZoomH4N. Output on the guitar was about 3/4 max, gain on the Zoom almost nothing
https://soundcloud.com/richard-rose-374426498/ariabasstonecomparison
The first scale is with the tone control set to maximum bass (ie max treble roll-off). It sounds like a bass guitar, and you can clearly hear the stereo separation with lower notes on the left of the image and higher to the right. The second scale is with the tone control set to max treble. You can hear there is a lot more HF, and clearly hear sound of my fingers sliding across every string. The two notes at the end are open strings, with max treble and max bass.
Prior to the repair it sounded like the full treble version, but worse ("pentatonic tinnitus" was one description). Post repair I reckon there is a pretty reasonable guitar there, and with the option to take two outputs and EQ them separately you could make all sorts of funkiness. Clean strings would help too.
My playing is very beginner level (as you can hear), so I roped in my son this afternoon to play a better demonstration for this forum, and to play it though an amp as well. He tuned up, and the tuning peg on the A-string promptly snapped!

All very frustrating, but Amazon have a set which one reviewer bought specifically for the same guitar when his snapped, so all repairable.
Most importantly: Huge thanks to everyone who has responded on this forum, and especially to Folderol for his time and effort (including multiple PMs to ask intelligent questions and respond to dumb ones). Another round of applause to that man.

Rich